Back

1 Interface with MPU

1.1 Character type LCM (Controlor ks0066)


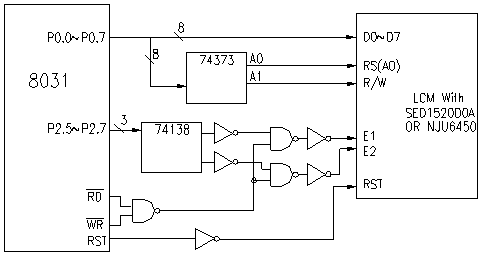
1.2 LCM using controlor SED1520D0A(NJU6450)


1.3 LCM using controlor SED1520DAA(NJU6452)


1.4 LCM using controlor KS0108(HD61202)


1.5 LCM using controlor T6963C


2 Power supply

2.1 Single source (Character type LCM)


2.2 Double source (Character and graphic type LCM)


2.3 Double source (Graphic type LCM)


2.4 Single source (Graphic type LCM)



Back